Подробный обзор серии MM от Pentair Goyen: Эффективное интегрированное решение импульсных струйных клапанов

January 12, 2026

Подробный обзор серии MM от Pentair Goyen: Эффективное интегрированное решение импульсных струйных клапанов

Обзор продукта: Прямая интеграция, выдающаяся производительность

Серия MM Goyen представляет собой высокопроизводительный диафрагменный клапан, ключевой конструктивной особенностью которого является возможность прямой установки в коллектор сжатого воздуха, что обеспечивает высокую степень интеграции и экономию пространства. Эта серия клапанов специально разработана для систем очистки фильтров обратной импульсной продувкой и их вариантов, подходит для различных применений в пылеулавливании, включая рукавные фильтры, картриджные фильтры, конвертные фильтры, керамические фильтры и фильтры из спеченного металлического волокна.




Прочная конструкция и разнообразные материалы

Долговечность клапанов серии MM обусловлена их превосходной конструкцией и выбором материалов:

  • Корпус и прижимные гайки: Изготовлены из литого под давлением алюминиевого сплава, что обеспечивает прочность и малый вес.

  • Ключевые уплотнения и диафрагмы: Стандартная конфигурация - нитрильный каучук, подходящий для большинства обычных сред; для высокотемпературных, масляных или особых химических сред можно выбрать материал витон (фторкаучук), обеспечивающий более широкую химическую стойкость и термостойкость.

  • Внутренняя конструкция: Пружины, винты и другие компоненты в основном изготавливаются из нержавеющей стали марок 304 или 430, что гарантирует коррозионную стойкость и длительный срок службы.

  • Выходная труба: В зависимости от модели может использоваться оцинкованная кованая стальная труба или алюминиевая труба из сплава 6061-T6.

  • Седло диафрагмы: Материал варьируется в зависимости от размера клапана и включает PA-66 (нейлон), мягкую сталь с нитрильным покрытием, ацеталь или мягкую сталь с покрытием витон, что оптимизировано для разных давлений и применений.

Модели и технические параметры

Серия MM предлагает различные диаметры для удовлетворения потребностей в различном расходе:


  • 25 мм (1 дюйм): Конструкция с одной диафрагмой, коэффициент расхода Kv=26, подходит для небольших фильтрующих элементов.

  • 40 мм (1,5 дюйма): Конструкция с двумя диафрагмами, обеспечивает больший расход, Kv=44.

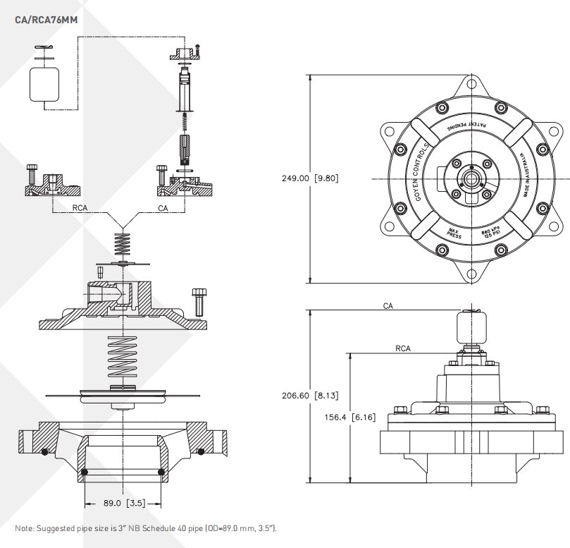
  • 76 мм (3 дюйма): Конструкция с двумя диафрагмами, высокий расход, Kv=200, подходит для больших рукавных фильтров.

  • 102 мм (3,5 дюйма): Конструкция с двумя диафрагмами, наибольший расход в серии, Kv=238, особенно подходит для таких применений, как угольные котлы, где требуется работа в средах с высоким содержанием серы (имеется специальный комплект диафрагм K10203).

Рабочий диапазон давлений для всех моделей обычно составляет 30-860 кПа, температурный диапазон варьируется в зависимости от материала уплотнения (нитрил или витон), причем версия с витоном может выдерживать более высокие температуры.

Как заказать: Понимание кода продукта

Серия MM Goyen предлагает гибкие варианты заказа, где конфигурация четко определяется кодом продукта:


Для моделей 1” и 1,5” (25мм/40мм) структура кода, например: RCA 25 MM F P 4 0 1 0–301

  • Тип пилотаCA (встроенный пилотный клапан) или RCA (внешний пилотный клапан).

  • Размер клапана25 или 40.

  • Тип выходаP (плоское трубное соединение) или D (соединение прижимной гайкой).

  • Материал диафрагмы0 (нитрил) или 1 (витон).

  • Тип резьбы: Определяет стандарт резьбы для пилотного порта или выпускного отверстия (например, NPT или RC).

  • Размер дренажного отверстия: Выбор различных комбинаций (например, соединение 1/8″ или 1/4″ с разным диаметром отверстия).

Для моделей 3” и 3,5” (76мм/102мм) структура кода более лаконична, например: RCA 76 MM 1 0 1 301

  • Аналогично определяются ключевые параметры: тип пилота, размер, материал диафрагмы (здесь 0=нитрил, 1=материал M700, 4=версия 102мм для сред с высоким содержанием серы) и др.


Примеры заказа:

  • CA40MMFD6000-300: обозначает клапан 1,5″ со встроенным пилотом, выходом под прижимную гайку, нитрильными уплотнениями, для монтажа на плоскую поверхность шириной 6 дюймов.

  • RCA25MM001: обозначает только корпус клапана 1″ с внешним пилотом и уплотнениями из витона.

Заключение

Импульсные клапаны серии MM от Pentair Goyen благодаря своей модульной, непосредственно интегрируемой конструкции, высококачественным материалам и гибким вариантам конфигурации предоставляют эффективное, надежное и легко обслуживаемое решение для очистки воздуха в промышленной пылеулавливающей технике. Будь то новый проект или замена/модернизация, выбор подходящего клапана серии MM может эффективно повысить производительность и надежность фильтрующей системы.


Свяжитесь с нами
Если у вас есть какие-либо вопросы или вам требуется техническая поддержка по импульсным клапанам серии MM Goyen или другим решениям для очистки воздуха, пожалуйста, не стесняйтесь обращаться к нам.
Телефон/WeChat:  +86 18863432017
Email:
 Freddy@starmachinechina.com








Сообщение онлайн